お探しのネジ、ここにあります。

0
¥0

現在カート内に商品はございません。

ねじ背景

商品カテゴリー

軟質塩化ビニール アンカーナット用キャップ 黒 M16
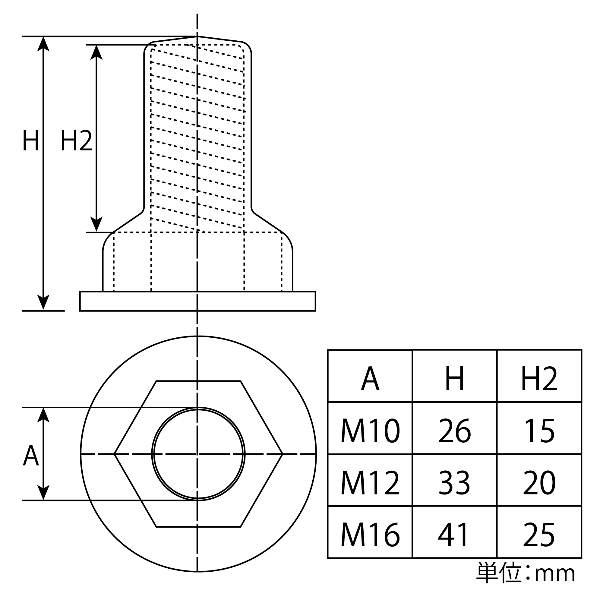
品番: 557-778

軟質塩化ビニール アンカーナット用キャップ 黒 M16

サイズ: M16


オールアンカーCタイプ(芯棒打ち込み式)の先端部の保護・安全カバーです。
キャップは押し込んで取り付けます。
キャップ内部にねじが切ってあるため、はめ込み後抜けにくい構造になっています。

【注意事項】

●製品の特性上、規格については参考としてご利用ください。
●本パッケージの仕様等は改良等により予告なく変更する場合がございます。
ねじタイプ:ミリねじ  耐熱温度:-18℃~60℃  材質:軟質塩化ビニール(PVC)
販売価格(税込): ¥314
※本数により価格が異なる商品については、上記は1~9本までの価格となります。
数量

カートに追加しました。
お買い物を続ける カートへ進む
neji_image

※サイズ表に掲載されているサイズはあくまで参考となっております。

※商品画像は代表画像になります。

 ボルト等に関しましては全ねじ、半ねじ両方ある場合または半ねじタイプのみのものがあり、掲載画像と異なる場合がありますのでご注意ください。

※サイト内にてお取り扱いのないサイズの商品は、ご購入できませんのでご了承ください。

※製品の仕様および価格は、予告なく変更する場合があります。あらかじめご了承ください。

※商品の即日発送は、注文時間および入金確認や在庫状況、取り寄せ品を含むご注文、お届け先などによって最短当日配送の対象外となる場合があります。

CHECKED ITEM 閲覧商品

履歴を消す

300000/500/N4952520001066.jpg

フジ矢 皮むきニッパーNo.10 150MM

¥4,376 税込

商品コード: 900-07427

用途:
電気工事や機械修理時の電線切断、皮むき作業。

材質:
●本体:特殊鋼。

特徴・機能:
ストレート刃の刃部に皮むき作業に便利な穴(径0.8mm・径1.5mm)を開けたニッパです。

仕様:
●切断能力(鉄線):1.6mm径。
●切断能力(銅線):2.6mm径。
●サイズ:全長152mm・重量110g/w。

300000/500/4977292680516.jpg

千吉 ステン 谷かき鍬(角度調整式) 1350MM

¥9,531 税込

商品コード: 900-19157

用途:
畑作業用。

材質:
●刃部:ステンレス。
●柄部:椎柄。

機能:
平鍬にミミの付いたタイプで、より土をすくいやすくなっています。
角度調整機能付きで、プレートの付け替えのみで簡単に調節可能です。
刃先は焼入れ処理済ステンレスヘッドのため、サビにくく、土離れがよいため作業性抜群です。
土への食い込みもよく、草削り作業にも使用可能です。

仕様:
●柄長:1350MM。
●関連商品:千吉角度調整鍬用プレート2pcs。
●関連商品:千吉角度調整鍬用ボルト・ナット1セット。

190000/500/85-628.jpg

フィニッシュネイル チャ F50 (2000個入)

¥1,595 税込

商品コード: 85-628

用途:回り縁、幅木の取り付け、および各種内装仕上げ。

※施工には釘打機が必要です。

カテゴリ一覧